online catalog
new products
media
news
download
about us
TMA
become customer
parts doctor
contact
not logged in
forgot password
dealer login
login
forgot password
žicani instrumenti
gitare i bas gitare
električne gitare
resonator guitars
električne bas gitare
akustične gitare
akustične bas gitare
klasične gitare
gitarski paketi
DIY Uradi sam
različiti žičani instrumenti
bendžo
mandoline i mandole
steel gitare
ukulele
buzuki
pojač.efekti,pedale i prekidači
poj.za električne gitare
poj.za bas gitare
poj.za akustične gitare
power attenuators
headphone amps
efekt pedale i nožni-prekidači
ispravljači i oprema
delovi pojačala
oprema
torbe
koferi
gitarski kajševi
stalci i stalci za zid
accessory pack
batteries
kablovi
žice
štimeri,zvučne viljuške i duvaljke
pikapovi za akustične gitare
trzalice i držaći trzalica
kapodasteri
slajdevi
proizvodi za održavanje
različita oprema
delovi
tela, vratovi i drvo
tremolo, bridges and tailpieces
elektronika
lacquer and paint
bindings, trim and inlay
hardwear
knobs
nuts and saddles
pickguards and covers
čivije
alati
bubnjevi i perkusije
akustični bubnjevi
setovi bubnjeva
dečji setovi
doboši
vojni bubnjevi
elektronski bubnjevi
electronic table drum kits
setovi elektronskih bubnjeva
pojačala za elektronske bubnjeve
delovi za elektronske bubnjeve
perkusije
bongosi
konge
timbale
roto-tomovi
cajons
daire i hand drums
glockenspiels and lyres
chimes and bell trees
perkusije iz ostalog sveta
handpans
male perkusije
činele i gongovi
setovi činela
oprema
torbe
delovi bubnjeva
oprema za vojne bubnjeve
palice i batići
plastike za bubnjeve
ključevi za štimovanje
mirofoni za bubnjeve,trigeri i stomp boxes
bubnjevi za vežbanje
sredstva za održavanje
delovi bubnjeva
snare wires and throw offs
rims and hoops
lugs
tension rods and claws
tom holders
floor tom legs and brackets
bass drum legs and spurs
obloge bubnjeva
šrafovi i matice
delovi stalaka
delovi bas pedala
klavijature
klavijature
MIDI keyboards
stage klaviri
compact pianos
digitalni klaviri
organs
oprema
torbe, koferi i prekrivači
stalci za klavijature
stolice za klavijature
klavirske stolice
lampe za klavire
sustejn pedale
effect pedals
midi kablovi i interfejsi
adapteri
slušalice
različita oprema
pro audio i rasveta
audio interfaces
mikrofoni
dinamički mikrofoni
kondenzatorski mikrofoni
mikrofonska oprema
USB microphones
Bluetooth headphones & earbuds
audio for video - A4V
miksete
pasivne miskete
zvučnici
nearfield monitor speakers
procesori
direkt boksovi
bezžični sistemi
wireless combo sets
wireless individual transmitters/receivers
microphone capsules
wireless lavalier systems
wireless instrument systems
wireless microphone systems
wireless accessories
wireless in-ear monitor systems
slušalice
električno napajanje i oprema
razdelne kutije
prekidači
merni instrumenti
različiti električni uređaji
rasveta
PAR sistemi
kablovi
oprema
torbe i koferi
stalci
kablovi
konektori, utičnice i adapteri
baterije i strujni adapteri
19" rekovi, koferi i torbe
gudački instrumenti
instrumenti
violine
viole
čela
kontrabas
electric instruments
gudala
violin bows
viola bows
cello bows
double bass bows
bows for historical instruments
delovi gudala
torbe
navlake za violinske kofere
čelo koferi
kontrabas torbe
koferi
violinski koferi
viola koferi
kombinovani koferi
čelo koferi
kontrabas koferi
koferi za gudala
oprema za kofere
žice
žice za violinu
žice za violu
žice za čelo
žice za kontrabas
žice za viola da gamba
žice za viola d'amore
žice za pardessus
žice za hardanger fiddle
delovi
kobilice
delovi kobilica
kordari
čivije
čivije sa štimerom
držač kordara
oprema
stalci
podmetač za rame
podbradci
care products
štimeri
mutes
štimeri,zvučne viljuške i duvaljke
držači nožice
wolf ton eleminatori
kalafonijumi
gut frets for bowed instruments
pikap sistemi
drvo za kobilice
donje strane gudačkih instrumenata
dušice
fongerbord
sedla i natovi
purfling
peg bushings
alat
alat za podešavanje dušice
peg i endpin alat
četke
različiti alat
lakovi
smole za pripremu boje
boje-prirodne
duvački instrumenti
drveni duvački instrumenti
saksofoni
klarineti
flaute i pikolo
blok flaute
zvuždaljke
okarine
limeni duvački instrumenti
trube i korneti
tromboni
harmonike i melodike
tremolo harmonike
blues harps
hromatske harmonike
melodike
oprema za harmonike
panove frule
ratličiti duvački instrumenti
kazoo
song zvuždalje i efekt zviždaljke
drombulje
oprema/dodaci
torbe
koferi
kaiševi
stalci
usnici i oprema
trske i oprema za trske
pickups for wind instruments
mutes
lire za limeni orkestar
notni materijal
sredstva za održavanje
harmonike
oprema
torbe
koferi
kaiševi
kolica za harmonike
delovi i alat
meh i oprema
oprema za sve instrumente
notni stalci i oprema
notni stalci
lampe za notne stalke
torbe za notne stalke
metronomi
mehainčki metronomi
električni metronomi
dirigentske palice
lepljiva traka
pokloni
minijaturni instrumenti
privesci za ključeve
olovke
podloške za miš
oprema za prodavnice
humidifiers
clothing
stitnici za uši
new products
new products
online catalog
online catalog
>
žicani instrumenti
>
delovi
>
tremolo, bridges and tailpieces
>
electric guitar bridges
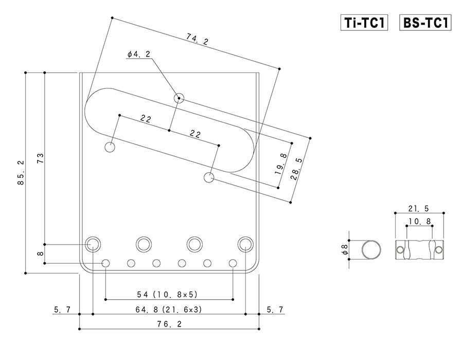
GTH12543 |Gotoh BS-TC1 bridge-tailpiece T-model with brass saddles
info
8719147576911
article number: GTH12543
product id: 57691
BS-TC1 bridge-tailpiece T-model with brass saddles, nickel
« back
^
Ask your question on whatsapp